
2022-05-06|admin
WGN hollow shaft angle planetary gearbox adopts hypoid gears, which are installed in the way of expanding and tightening force. The dimension drawing of WGN hollow shaft gearbox can be downloaded online, and the CAD drawing of selection can be downloaded online. The NCP selection software covers common motors and applications in the market. It can provide dynamic load data and load diagrams according to the application that does not need to be adapted. Provide free NCP software and technical guidance, you can contact for technical consultation.
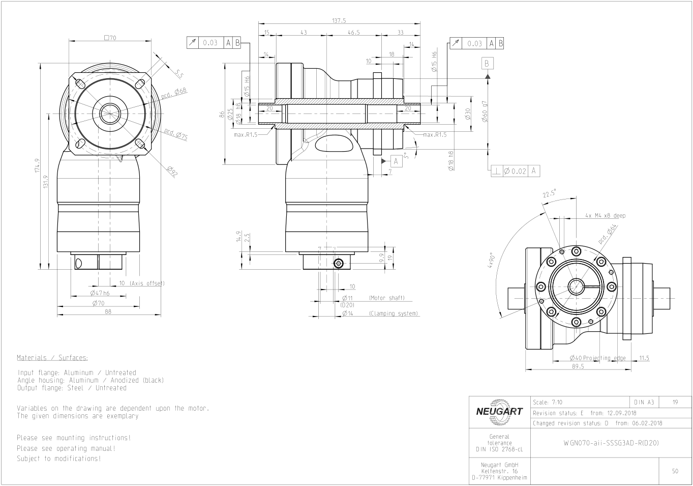
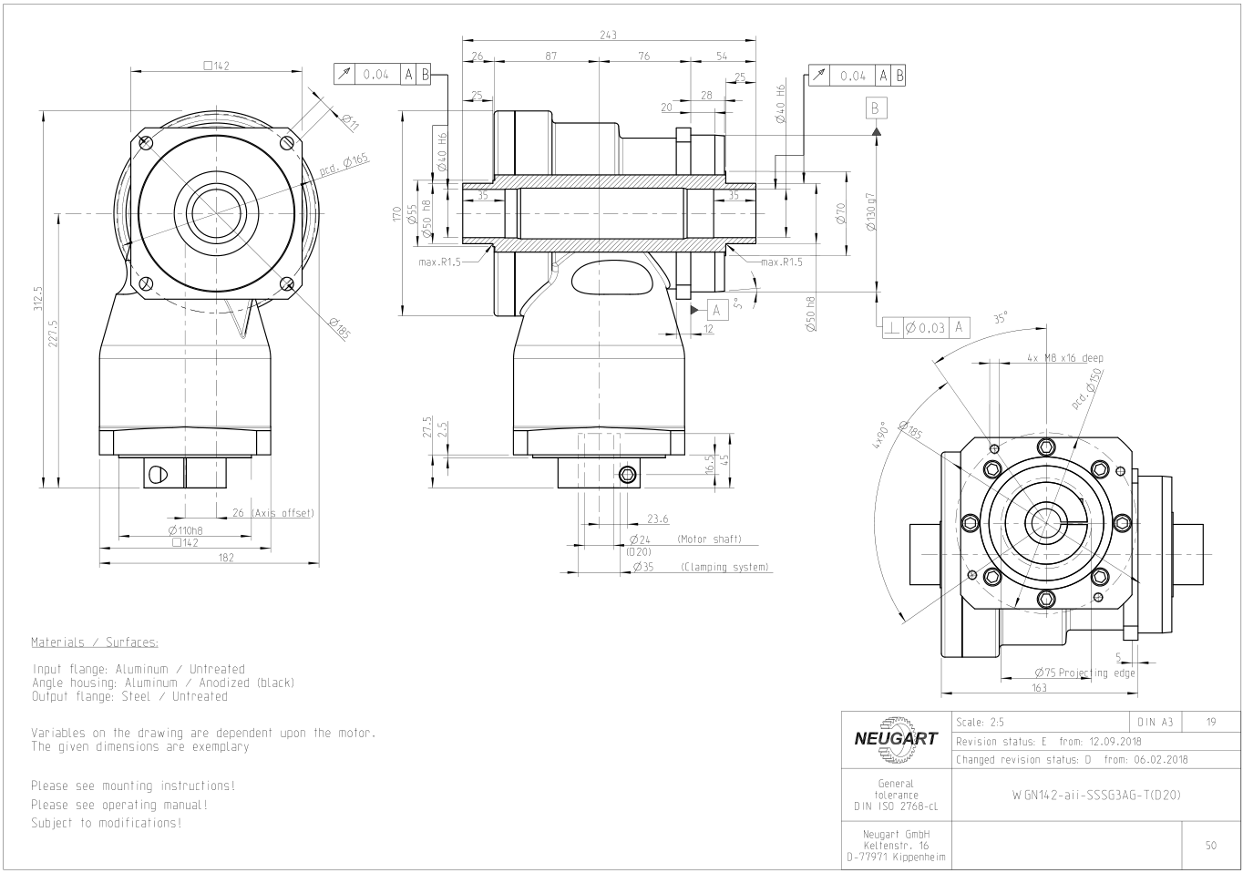
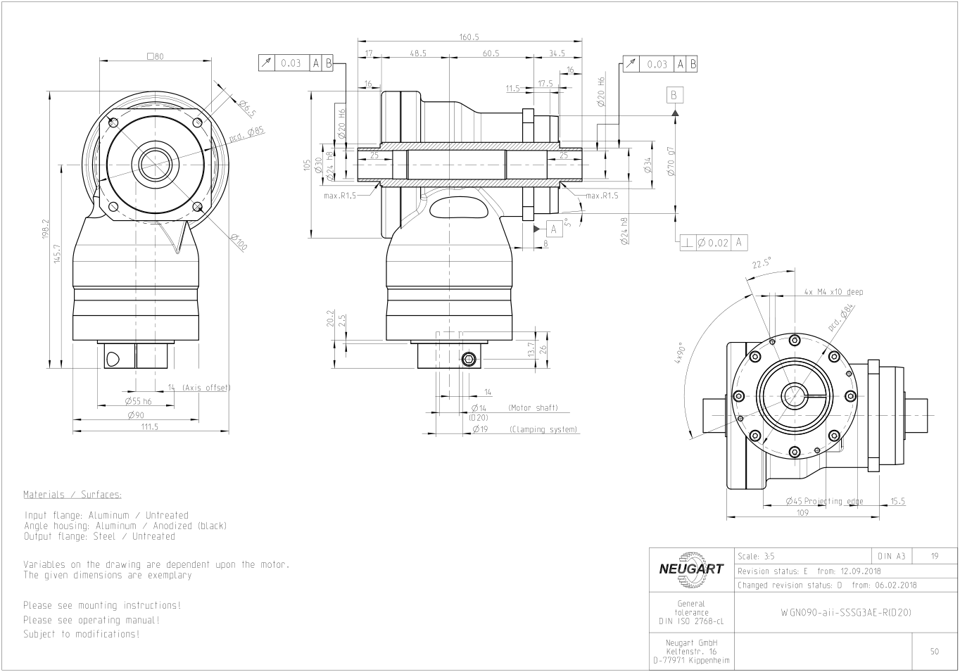
Dimensional drawing of WGN hollow shaft right angle gearbox:
WGN70 reducer dimension drawing
WGN90 reducer dimension drawing
WGN110 reducer dimension drawing
WGN142 reducer dimension drawing
WGN hollow shaft right angle gearbox size drawing download:
